Каталог товаров
- Главная
- Периферия и аксессуары
- Источники бесперебойного питания
- Батареи для ИБП
- Батарея для ИБП CSB HRL634W F2 FR 6В 34Ач
Батарея для ИБП CSB HRL634W F2 FR 6В 34Ач
- Характеристики
- Отзывы0
| Бренд | CSB |
| Гарантия производителя | 12 |
| Объем - м3 | 0.00077 |
| Вес нетто кг | 1.65 kg |
| Габариты | 0.32 × 0.2 × 0.12 м³ |
| Бренд | CSB |
| PartNumber/Артикул Производителя | MD2033/WH |
| Модель | HRL634W F2 FR |
| Материал корпуса | Износостойкий, огнеупорный ABS (UL94 V-O) |
| Вес товара | 1.32 |
| Размеры | 34x94.3x150.9мм |
| Габариты упаковки (ед) ДхШхВ | 0.15x0.05x0.1 |
| Вес упаковки (ед) | 1.65 |
| Объем упаковки (ед) | 0.00075 |
| Напряжение питания | 6 |
| Емкость | 34 |
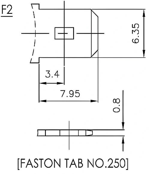
| Клеммы | F2 |
| Общего назначения | ДА |
| Диаметр поворотного стола | 245 |
| Дополнительные режимы | ускоренная разморозка, ускоренный разогрев |
| Дополнительный цвет | черный |
| Количество программ | 8 |
| Мощность микроволн | 700 |
| Направление открытия дверцы | справа-налево |
| Объем | 20 |
| Особенности корпуса | дисплей, часы |
| Открывание дверцы | ручка |
| Режимы | автоматическая разморозка, автоматический разогрев, соло |
| Тип управления | комбинированное |
| Тип установки | Отдельностоящая |
| Цвет корпуса | белый |
| Управление | быстрый старт |
| Внутреннее покрытие камеры | жаропрочная эмаль |
Батарея для ИБП CSB HRL634W F2 FR 6В 34Ач отзывы
Категории:Батареи для ИБПБатареи для ИБПСВЧ









